
가장 저렴한 철레일을 사용하고 있던 옷장 서랍이 제대로 나오지 않을 때가 많아졌습니다.
최근에 문고리와 부엌 쇼바 등 이것저것 철물 부속을 교체해서 달았는데, 레일도 몇천원짜리 일반 제품이 아니라 훨씬 좋은 제품이 있다는 것을 알게 되었습니다. 국산 댐핑 레일들도 있는데, 정말 고급이라고 할 만한 제품은 대부분 독일이나 스위스, 이탈리아처럼 유럽산이 많더라구요. (헤티히, 헤펠레, 블룸, 살리체 등...)
저는 이 중 국내 수급이 제일 잘 되는 것으로 보이는 헤펠레 제품으로 사보기로 했습니다. 사실 고급이라고 하지만 이런 개별 부속들이 십만원을 넘어가거나 하진 않고, 만원~2만원 사이입니다. 저는 두 짝을 사고 배송비랑 할인까지 다 더해서 3만원이 조금 덜 나왔습니다.
재원 확인하기 - 공식 웹사이트
제가 구매한 제품은 소프트 클로징 매커니즘이 들어간 450mm 매립형 런너 (433.03.305) 입니다. 아래 Hafele 헤펠레 한국 공식 웹사이트에서 재원을 확인하실 수 있습니다. (여기는 도매 샵이라서 직접 구매는 하실 수 없습니다.)
매립형 런너,목재 서랍 - 한국 Häfele 샵
물품을 장바구니에 추가하려면, 특징 또는 물품표를 이용하여 물품을 선택하십시오.
www.hafele.co.kr
구매하기 - 헤펠레샵 또는 오픈마켓
공식 소매점은 '헤펠레샵'이라는 별도의 웹사이트가 있습니다. 그런데 11번가나 지마켓 등에 더 싸게 올라오는 경우가 많고 그때그때 가격도 조금씩 바뀝니다! 잘 찾아보시고 구매하세요 :)
http://hafeleshop0.mallstore.co.kr/goods/detail.asp?gno=7530&cate=600
헤펠레샵-독일 가구건축자재 하드웨어,슬라이딩도어,가구철물,페인트,diy목공,인테리어
● 배송방법 - 일괄상품 : 50,000원 미만 구매시 택배비 2,750원 , 단 착불상품은 제외, 50,000원 이상 구매시 무료배송 - 업체배송 업체에서 선정한 금액적용으로 무료배송 또는 입점업
hafeleshop0.mallstore.co.kr
구매하기 전 - 서랍 크기 실측
사실 언더레일은 기존 서랍에 설치하려면 고려할 점들이 많아서, 아예 서랍을 새로 짜기를 권장하더라구요.
그렇지만 저희는 DIY니까! 기존 서랍에 쑤셔넣을 수 있는지 봐야겠죠? 그러려면 고려해야 할 몇 가지 사항들이 있습니다.
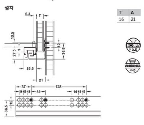
1. A값 21mm
대충 도면을 보니 A값이 중요한 것 같아요. 내측(옷장틀에서부터 서랍바깥판 안쪽면)이 21mm면 되는 것 같습니다. 저는 22.5 정도 나와서 설치에 애를 먹었어요. 옷장틀 쪽 나사를 어떻게어떻게 해서 완벽한 설치는 안 되었지만, 잘 동작되게 만들었습니다. 21보다 크면 옷장면에 나무를 덧대든지 뒤에 와셔를 넣어서 오차를 강제로 만들든지, 야매로 설치를 해야 해요. 21보다 작으면 커플러랑 ㄷ자 홈을 더 안쪽으로 넣어야 되겠구요.

2. L값 450mm
L값은 서랍 길이에요. 당연히 서랍 깊이는 재보고 설치하는 것 아니겠느냐? 라고 하지만 어디까지가 깊이로 인정되는지를 알아야 해요. 서랍 아래쪽에 커플링을 다는 위치까지거든요. 아래 사진에서 L값을 보시면 서랍 앞판이 제외된 것을 보실 수 있습니다. 저도 엄밀히 재면 450이 조금 안 되므로 400mm를 샀어야 되는데, 그러면 서랍이 조금 덜 튀어나올 것 같아서 야매로 뒤쪽을 해결하기로 했어요.

3. 서랍 뒤쪽 처리 - ㄷ자 홈과 구멍 파야 함
위 사진을 다시 봐주세요. 서랍 뒤쪽에 ㄷ자 홈이 파여 있는 것을 볼 수 있는데요. 저 사이로 레일을 끼우는 거에요. 저는 홈이 파여있지 않은 서랍이었는데 톱질로 갈아내기로 했어요.
원래는 ㄷ자 위에 나사구멍을 뚫어서 완전히 결합해야 하는데, 저는 450mm를 주문해서 서랍보다 런너가 긴 바람에 오히려 다행히도? 구멍은 뚫을 필요가 없었어요. 물론 헤펠레에서 보장하는 완벽한 작동이 되는 데에는 지장이 있겠지만, 어차피 앞 커플링과 연결된 거라서 뒤판 나사구멍이 없어도 잘 작동하더라구요.
아래의 '1. 톱질'을 참고해주세요!
설치하기
1. 톱질
우선 3. 의 뒤쪽 처리에서 톱질이 필요하다면 30mm 정도를 톱질로 들어내주시면 됩니다. 너무 많이 들어내면 뒤쪽이 틀어질 수 있으니 딱 레일 폭에 맞게 뚫어주세요.

2. 기존 런너 탈거
기존 런너를 탈거해주세요.
3. 옷장측 런너 설치
일단 1층 서랍은 바닥면과 닿으니 수평 걱정 없이 설치할 수 있어요.

4. 커플링 설치
앞판 쪽 밑판 직각부에 설치해주면 됩니다.

5. 올려놓고 결합
살짝 튀어나온 홈이 있는데 그걸 밀어넣어주면 커플링과 탁! 결합됩니다.

6. 끝!
...이지만 혹시 서랍이 안 들어가거나, 하면 잘못된 점을 찾아주세요 ㅎㅎ
설치 시 참고 영상
영상을 보시면 더 직관적이에요.
https://www.youtube.com/watch?v=3oA5NSqnsCM
'일상 > 일기' 카테고리의 다른 글
| [1종보통 취득일지] #3-3. 독학 장내기능시험 합격 수기 (4회차 합격) (1) | 2021.06.13 |
|---|---|
| [1종보통 취득일지] #3-2. 생각보다 길어지는 기능시험 트라이 횟수 (직각주차) (0) | 2021.06.05 |
| [1종보통 취득일지] #3-1 : 장내기능시험 직각주차 탈선 안 당하는 방법 (feat. 1트 불합격) (2) | 2021.05.28 |
| [1종보통 취득일지] #2: 필기 학과시험 응시, 합격! (도봉운전면허시험장) (1) | 2021.05.22 |
| 군대 지원시 중복지원 가능 여부 정리 (기술행정병 / 일반기술병 / 모집병 / 전문특기병 / 징집병 / 육군 해군 공군 해병대) (11) | 2021.05.13 |